
Hydraulic Control Systems
Marine, Offshore & Industrial hydraulic control systems
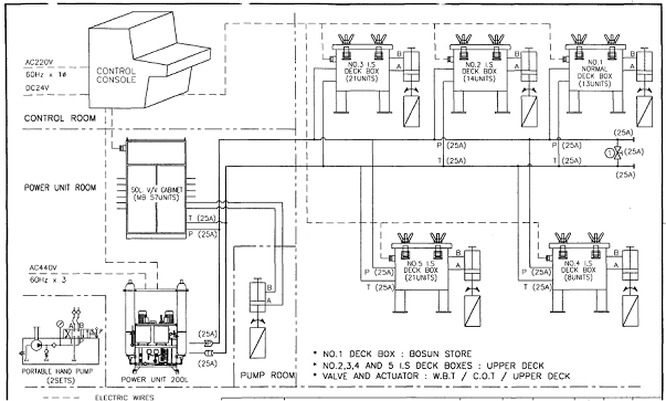
Need a specialist professional team to perform the servicing, maintenance and repairs of Hydraulic Control Systems designed specifically for marine vessels, offshore production and industry equipment?. Our qualified technicians will assist you in ascertaining whether the crucial components of your Hydraulic Control System, such as the control console, power unit, hand pumps, and a network of valves, solenoids and actuators, position indicators and other components located on deck, machinery spaces, cargo control rooms or elsewhere at industry sites do operate correctly in a safe way. If not, our team of specialists will provide solutions to bring them to the required safe operational standards and ensure that the performance of your Hydraulic Control System always remain operationaly reliable and without risk to stop productivity due to unforeseen breakdowns or minor failures.
Si desea mayor información sobre este servicio por favor visítenos en Techpulse4u.com y envíenos su solicitud a través de contacto@techpulse4u.com utilizando como referencia el Código de Servicio 82030
Sus datos serán tratados con estricta confidencialidad, le responderemos a vuelta de correo. Gracias por su visita !!!
Predict the future by creating it
You didn’t come this far to stop
Top rated by 100+ clients
★★★★★